
Ремонт насосів Bosch Rexroth серии A10VG
111 грнчас
25 августа 2025 р.
Минимальный срок аренды 1 час
0 просмотров
Категория
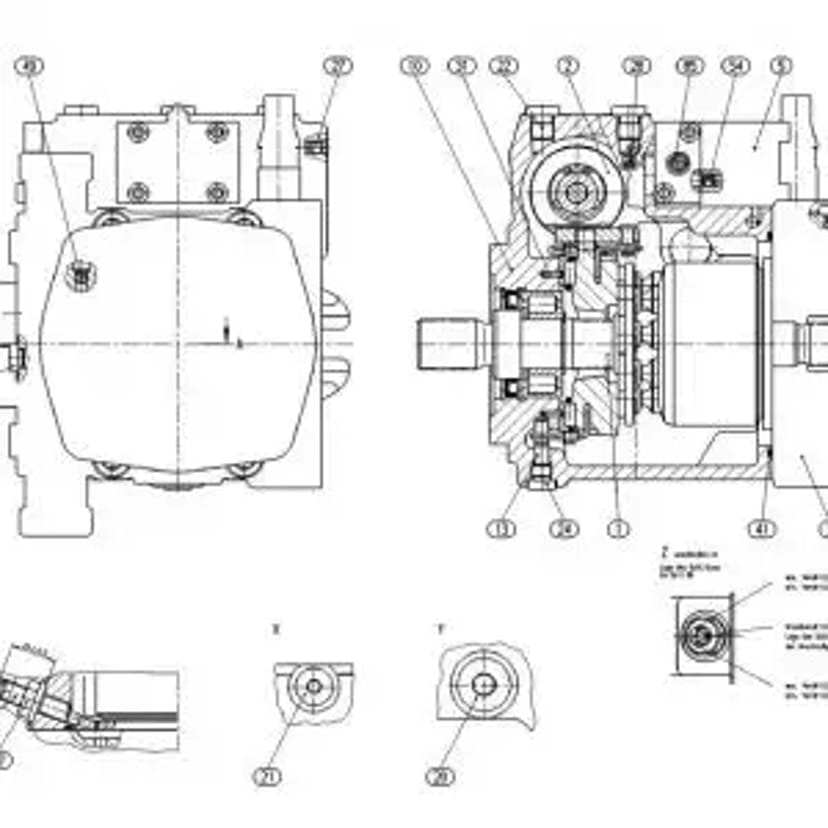
Ремонт инструмента и оборудованияОписаниеНаше підприємство готове провести капітальний ремонт насосів Bosch Rexroth серии A11VO Ремонт насосів A10VG14, A10VG18, A10VG28, A10VG45, A10VG63 Для цього ми маємо в своєму розпорядженні необхідний верстатний парк, досвідчені фахівці. Довіряючи ремонт гідронасосів та гідромоторів нам - Ви отримаєте повністю робочий та налаштований гідронасос та гідромотор з гарантією, і найголовніше у найстисліші терміни. Першочерговим завданням є повна чи часткова діагностика обладнання нашими висококваліфікованими фахівцями. Після отриманої інформації, вам надаються варіанти ремонту та відновлення несправних вузлів та деталей. Ви вибираєте варіант, який вам ідеально підходить, і забираєте вже повністю відновлене обладнання, що функціонує. Після ремонтних операцій гідроагрегат підлягає випробуванням на тестовому стенді. Він створює повторно-змінні навантаження для виміру технічних показників. При необхідності майстер усуне недоліки та виконає повторну перевірку. Видача гідравлічного насоса відбувається лише після досягнення потрібних параметрів. Проводимо такі роботи: Ремонт гідронасосів Bosch Rexroth серії A11VO: ремонт насоса A11VO40, A11VO60, A11VO75, A11VO95, A11VO130, A11VO190 Ремонт насоса Bosch Rexroth серії A10VO, VSO, VG: ремонт гідронасоса A10VO28, A10VO45, A10VO71, A10VO100, A10VO140, A10VG18, A10VG28, A10VG45, A10VG63 Ремонт насосів Rexroth A4V, VG, VSG, VSLO, VTG. Ремонт гідронасосів A20 Bosch Rexroth: ремонт гідронасосів A20VO60, A20VO75, A20VO95 Ремонт гідронасосів Bosch Rexroth A8VO: ремонт насосів A8VO55, A8VO80, A8VO107, A8VO140, A8VO200 Ремонт гідронасосу Rexroth A10F, A10FM, A10FE: ремонт гідронаосу A10FM28, A10FM37, A10FM45, A10FM63, A10FE28, A10FE37, A10FE45, A10FE63. Ремонт гідронасосів Bosch rexroth A6VM, A7V: ремонт насоса A7VO55, A7VO80, A7VO107, A7VO140, A6VM55, A6VM55, A6VM80, A6VM107, A6VM140
ХарківськийЗавод Гідромолотів
Частное Лицо
РасположениеХарківська область, Харків, вул. Мала Панасівська, 1

Другие объявления автора
Смотреть большеПохожие объявления
ВсеСмотреть больше






