
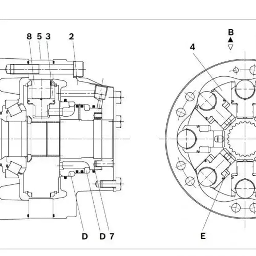
Ремонт гідромоторів Bosch Rexroth серії MCR3
111 грнгодина
25 серпня 2025 р.
Мінімальний срок оренди 1 година
Категорія
Ремонт Інструменту та ОбладнанняОписНаше підприємство готове провести капітальний ремонт гідромоторів Bosch Rexroth серії MCR3 Ремонт гідромоторів REXROTH MCR3 Для цього ми маємо в своєму розпорядженні необхідний верстатний парк, досвідчені фахівці. Довіряючи ремонт гідронасосів та гідромоторів нам - Ви отримаєте повністю робочий та налаштований гідронасос та гідромотор з гарантією, і найголовніше у найстисліші терміни. Першочерговим завданням є повна чи часткова діагностика обладнання нашими висококваліфікованими фахівцями. Після отриманої інформації, вам надаються варіанти ремонту та відновлення несправних вузлів та деталей. Ви вибираєте варіант, який вам ідеально підходить, і забираєте вже повністю відновлене обладнання, що функціонує. Після ремонтних операцій гідроагрегат підлягає випробуванням на тестовому стенді. Він створює повторно-змінні навантаження для виміру технічних показників. При необхідності майстер усуне недоліки та виконає повторну перевірку. Видача гідравлічного насоса відбувається лише після досягнення потрібних параметрів. Проводимо такі роботи: Ремонт гідронасосів Bosch Rexroth серії A11VO: ремонт насоса A11VO40, A11VO60, A11VO75, A11VO95, A11VO130, A11VO190 Ремонт насоса Bosch Rexroth серії A10VO, VSO, VG: ремонт гідронасоса A10VO28, A10VO45, A10VO71, A10VO100, A10VO140, A10VG18, A10VG28, A10VG45, A10VG63 Ремонт насосів REXROTH A11VG12, A11VG19, A11VG35, A11VG50 Ремонт насосів Rexroth A4V, VG, VSG, VSLO, VTG, A4VSO40, A4VSO71,A4VSO90, A4VSO125, A4VSO180, A4VSO250, A4VSO355 Ремонт насосів REXROTH A2F10, A2F12, A2F16, A2F23, A2F28, A2F32, A2F45, A2F56, A2F63, A2F80, A2F90, A2F107, A2F125, A2F160, A2F180, A2F200, A2F250 Ремонт гідронасосів A20 Bosch Rexroth: ремонт гідронасосів A20VO60, A20VO75, A20VO95 Ремонт гідронасосів Bosch Rexroth A8VO: ремонт насосів A8VO55, A8VO80, A8VO107, A8VO140, A8VO200 Ремонт гідронасосу Rexroth A10F, A10FM, A10FE: ремонт гідронаосу A10FM28, A10FM37, A10FM45, A10FM63, A10FE28, A10FE37, A10FE45, A10FE63. Ремонт гідронасосів Bosch rexroth A6VM, A7V: ремонт насоса A7VO55, A7VO80, A7VO107, A7VO140, Ремонт гідромоторів REXROTH A6VM28, A6VM55, A6VM80, A6VM107, A6VM140, A6VM160, A6VM200, A6VM250, MCR3
ХарківськийЗавод Гідромолотів
Приватна Особа
Виберіть дату початку бронювання
РозташуванняХарківська область, Харків, вул. Мала Панасівська, 1

інші оголошення автора
Дивитись більше